ส่งอีเมลถึงเรา
สินค้า
วาล์วควบคุมทิศทางการหน่วงอากาศ
  • วาล์วควบคุมทิศทางการหน่วงอากาศวาล์วควบคุมทิศทางการหน่วงอากาศ
  • วาล์วควบคุมทิศทางการหน่วงอากาศวาล์วควบคุมทิศทางการหน่วงอากาศ

วาล์วควบคุมทิศทางการหน่วงอากาศ

Model:XQ230650
ในฐานะผู้ผลิตระดับมืออาชีพ OLK ต้องการให้วาล์วย้อนกลับทิศทางการควบคุมการหน่วงอากาศของคุณ และ Olk จะให้บริการที่ดีที่สุดหลังการขายและการจัดส่งที่ทันเวลา

OLK XQ230650 การควบคุมการหน่วงอากาศ DIARTIONAL VALVE


วาล์วหน่วงเวลาที่ควบคุมโดยอากาศของ OLK XQ Series เป็นวาล์วที่ทำงานด้วยระบบนิวเมติกทิศทางที่ใช้ในการควบคุมเวลาหน่วงสำหรับสวิตช์จากทิศทางหนึ่งไปอีกทิศทางหนึ่ง ตัววาล์วสร้างขึ้นจากโลหะผสมอลูมิเนียมที่มีความแข็งแรงสูงจึงเพิ่มความแข็งแรงและความสามารถในการสึกหรอ ขึ้นอยู่กับระดับของการหมุนของวาล์วเข็มที่จบการศึกษาเวลาหน่วงจะถูกตั้งค่าในช่วงระหว่าง 1 ถึง 30 วินาที มีการใช้กันอย่างแพร่หลายในระบบนิวเมติกที่จำเป็นต้องใช้การสลับตามเวลาของวงจรอากาศ



สัญลักษณ์วาล์วหน่วงเวลา

ข้อดีของวาล์วย้อนกลับทิศทางการควบคุมอากาศ

ระบบอัตโนมัติที่ได้รับการปรับปรุง: ผ่านการควบคุมเวลาวาล์วหน่วงเวลาที่ควบคุมด้วยอากาศให้วิธีการสลับวงจรนิวเมติก มันปรับปรุงระบบอัตโนมัติของวงจรนิวเมติก

โครงสร้างที่เรียบง่ายและเชื่อถือได้: ความต้องการอุปกรณ์ควบคุมไฟฟ้าพิเศษจะถูกกำจัดและทำให้โอกาสของความล้มเหลวของอุปกรณ์นี้ถูกกำจัดให้หมดไปซึ่งนำไปสู่การบำรุงรักษาบ่อยครั้ง

การติดตั้งง่าย: ดังที่ได้กล่าวไว้ก่อนหน้านี้ฟอร์มแฟคเตอร์ของมันมีขนาดเล็กและการเชื่อมต่อทั่วไปซึ่งทำให้ง่ายต่อการรวมเข้าด้วยกันโดยไม่ต้องมีการกำหนดค่าที่ซับซ้อน

ประสิทธิภาพที่เสถียร: สวิตช์หน่วงเวลาทำงานได้อย่างมีประสิทธิภาพและมีความแม่นยำสูง นอกจากนี้ยังมีภูมิคุ้มกันต่ออิทธิพลของสิ่งแวดล้อม

การประหยัดพลังงานและเป็นมิตรกับสิ่งแวดล้อม: การทำงานของเครื่องมือเช่นเครื่องขับเคลื่อนนิวเมติกสไปค์ไม่จำเป็นต้องมีการจัดหาพลังงานเพิ่มเติมซึ่งทำให้กระบวนการพลังงานมีประสิทธิภาพและสอดคล้องกับการผลิตสีเขียว

XQ 230650 Time Delay Valve คำแนะนำในการดำเนินงาน

การตรวจสอบการติดตั้งล่วงหน้า: Victoria King แนะนำให้เราตรวจสอบขนาดของอินเทอร์เฟซของวาล์วและสถานะของระบบท่อรวมถึงสัญญาณของความเสียหายใด ๆ ในร่างกายวาล์ว

ขั้นตอนการติดตั้ง: ตรวจสอบให้แน่ใจว่าทุกอย่างเชื่อมต่อและปิดผนึกอย่างดีซึ่งวาล์วเชื่อมต่อกับส่วนประกอบอื่น ๆ ของระบบนิวเมติก

ปรับเวลาหน่วง: หมุนปุ่มหน่วงเวลาเพื่อตั้งค่าระยะเวลาที่กำหนดในการหน่วงเวลาบนเครื่องมือตามต้องการ

การจัดหาและการทำงานของอากาศ: เสียบแหล่งจ่ายอากาศเข้ากับพอร์ตและตรวจสอบเอฟเฟกต์การหน่วงเวลาที่กำหนดค่าบนลำโพงด้วยความถี่สัญญาณและทดสอบความแม่นยำของการสลับทิศทาง

รหัสการสั่งซื้อ

XQ

_

230

65

0

ซีรี่ส์ XQ

 

2 ตำแหน่ง 3 ทาง

ขนาดพอร์ต

วิธีการแสดงสองครั้ง

XQ230650 พารามิเตอร์การหน่วงเวลา 3 ทางพารามิเตอร์

แบบอย่าง

XQ230650

ตำแหน่ง

3/2 วิธี

ขนาดพอร์ต

G1/4

ช่วงเวลา

1 ~ 30s

ความผิดพลาดล่าช้า

8%

ช่วงแรงดันในการทำงาน

0.2 ~ 1.0mpa

ช่วงอุณหภูมิการทำงาน

‘-5 ~ 60 ℃

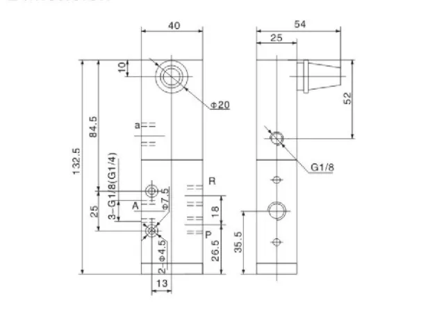
XQ230650 มิติN


แท็กยอดนิยม: วาล์วควบคุมทิศทางการควบคุมการหน่วงอากาศ, จีน, ผู้ผลิต, ซัพพลายเออร์, โรงงาน
ส่งคำถาม
ข้อมูลติดต่อ
  • ที่อยู่

    ถนน Zhengtai เขตอุตสาหกรรม Xinguang, Liushi, Yueqing, Wenzhou, Zhejiang, จีน

  • อีเมล

    cici@olkptc.com

ยินดีต้อนรับสู่เว็บไซต์ของเรา! หากมีข้อสงสัยเกี่ยวกับผลิตภัณฑ์หรือรายการราคาของเรา โปรดฝากอีเมลของคุณไว้กับเรา แล้วเราจะติดต่อกลับภายใน 24 ชั่วโมง
คำแนะนำข่าวสาร
อีเมล
cici@olkptc.com
โทร
86-0577 57178620
มือถือ
+86-13736765213
ที่อยู่
ถนน Zhengtai เขตอุตสาหกรรม Xinguang, Liushi, Yueqing, Wenzhou, Zhejiang, จีน
X
เราใช้คุกกี้เพื่อมอบประสบการณ์การท่องเว็บที่ดีขึ้น วิเคราะห์การเข้าชมไซต์ และปรับแต่งเนื้อหาในแบบของคุณ การใช้ไซต์นี้แสดงว่าคุณยอมรับการใช้คุกกี้ของเรา นโยบายความเป็นส่วนตัว
ปฏิเสธ ยอมรับ