ส่งอีเมลถึงเรา
สินค้า
ตัวปรับแรงดันลม Airtac รุ่น GR
  • ตัวปรับแรงดันลม Airtac รุ่น GRตัวปรับแรงดันลม Airtac รุ่น GR

ตัวปรับแรงดันลม Airtac รุ่น GR

คุณสามารถมั่นใจได้ในการซื้อเครื่องปรับแรงดัน GR รุ่น Airtac จากโรงงานของเรา และเราจะเสนอบริการหลังการขายที่ดีที่สุดและการส่งมอบตรงเวลาให้กับคุณ

เครื่องปรับแรงดัน GR ชนิด Airtac ให้การควบคุมแรงดันที่แม่นยำและเสถียรสำหรับระบบนิวแมติก เครื่องปรับลม OLK  GR พร้อมโครงสร้างที่ทนทานและการปรับตั้งที่ง่ายดาย ช่วยให้มั่นใจถึงประสิทธิภาพที่เชื่อถือได้ในอุปกรณ์ระบบอัตโนมัติ เครื่องมือลม คอมเพรสเซอร์ และการใช้งานทางอุตสาหกรรมทั่วไป เข้ากันได้กับตัวกรอง สารหล่อลื่น และหน่วย FRL

เครื่องปรับความดัน GR ชนิด Airtac คุณสมบัติผลิตภัณฑ์:

· เกจวัดความดัน แบบเหลี่ยม ในตัวช่วยประหยัดพื้นที่การติดตั้ง (สามารถเลือกเกจวัด แบบกลม ภายนอกได้)

· การออกแบบ การล็อคช่วยป้องกันการปรับ ความดัน โดยไม่ได้ตั้งใจที่เกิดจากแรงภายนอก

·โครงสร้างควบคุมแรงดันที่สมดุลทำให้มั่นใจได้ว่าแรงดันคงที่ มีความผันผวนเล็กน้อย และประสิทธิภาพที่ดี

·สามารถติดตั้งบนแผงหรือโดยใช้ขายึดเสริมได้

· นอกจากรุ่นมาตรฐานแล้ว ยังมีแบบแรงดันต่ำให้เลือกอีกด้วย (ความดันแบบปรับได้สูงสุด:0.4 MPa)


สัญลักษณ์ควบคุมแรงดัน GR:

รหัสการสั่งซื้อ

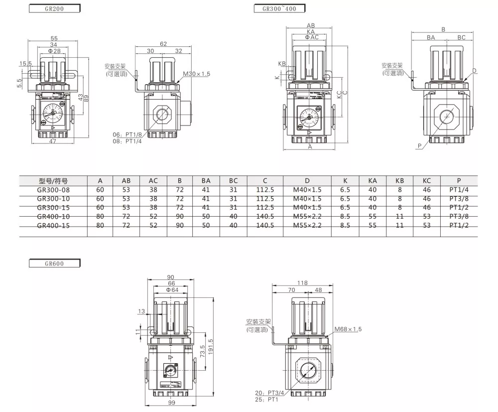
GR200

พีที1

08

แบบอย่าง:

 

ขนาดพอร์ต:

เครื่องปรับความดันซีรีส์ GR200

 

06:PT:1/8

เครื่องปรับความดันซีรีส์ GR400

 

08:PT1/4

เครื่องปรับความดันซีรีส์ GR400

 

10:PT3/8

เครื่องปรับความดันซีรีส์ GR600

 

15:PT1/2

 

 

20:PT3/4

 

 

25:PT1


แบบอย่าง

GR200-06

GR200-08

GR300-08

GR300-10

GR300-15

GR400-10

GR400-15

GR600-20

GR600-25

สื่อการทำงาน

อากาศ

ขนาดพอร์ต

พีที1/8

พีที1/4

พีที1/4

PT3/8

พีที1/2

PT3/8

พีที1/2

พีที3/4

พีที1

ช่วงแรงดันใช้งาน

0.05-0.9Mpa(20-130psi)

ช่วงแรงดันใช้งาน

1.5Mpa(215psi)

1700ก

-20--70℃

น้ำหนัก

160ก

350ก

-

1700ก


วิธีปรับตัวควบคุมแรงดัน GR รุ่น Airtac

มีสเกลแรงดันบนฝาปรับ เมื่อจ่ายลมแล้ว ให้ดึงปุ่มขึ้นแล้วหมุนตามเข็มนาฬิกาไปทางเครื่องหมาย “+” เพื่อเพิ่มแรงดัน หลังจากปรับแล้วให้กดลูกบิดลงเพื่อล็อค


ขั้นตอนที่ 1: จับลูกบิดแล้วดึงขึ้น

ขั้นตอนที่ 2: หมุนตามเข็มนาฬิกาเพื่อเพิ่มความดัน

ขั้นตอนที่ 3: กดปุ่มลงเพื่อล็อคหลังจากการปรับ


หมายเหตุ: โปรดใส่ใจกับลูกศรที่ระบุทิศทางการไหลของอากาศเมื่อเชื่อมต่อ การต่อกลับด้านเข้าอาจทำให้อากาศรั่วได้




คำถามที่พบบ่อย:

GR แปลว่าอะไร?

GR หมายถึงตัวควบคุมอากาศซีรีย์ GR


GFC หมายถึงอะไร?

GFC=GFR+GL  (ตัวควบคุมตัวกรอง + ตัวหล่อลื่น)


กจจ. แปลว่าอะไร?

GC=GF+GR+GL (ตัวกรอง + ตัวปรับลม + ตัวจ่ายน้ำมันหล่อลื่น)



แท็กยอดนิยม: เครื่องควบคุมแรงดัน Airtac Type GR, จีน, ผู้ผลิต, ผู้จัดจำหน่าย, โรงงาน
ส่งคำถาม
ข้อมูลติดต่อ
  • ที่อยู่

    ถนน Zhengtai เขตอุตสาหกรรม Xinguang, Liushi, Yueqing, Wenzhou, Zhejiang, จีน

  • อีเมล

    cici@olkptc.com

ยินดีต้อนรับสู่เว็บไซต์ของเรา! หากมีข้อสงสัยเกี่ยวกับผลิตภัณฑ์หรือรายการราคาของเรา โปรดฝากอีเมลของคุณไว้กับเรา แล้วเราจะติดต่อกลับภายใน 24 ชั่วโมง
คำแนะนำข่าวสาร
อีเมล
cici@olkptc.com
โทร
86-0577 57178620
มือถือ
+86-13736765213
ที่อยู่
ถนน Zhengtai เขตอุตสาหกรรม Xinguang, Liushi, Yueqing, Wenzhou, Zhejiang, จีน
X
เราใช้คุกกี้เพื่อมอบประสบการณ์การท่องเว็บที่ดีขึ้น วิเคราะห์การเข้าชมไซต์ และปรับแต่งเนื้อหาในแบบของคุณ การใช้ไซต์นี้แสดงว่าคุณยอมรับการใช้คุกกี้ของเรา นโยบายความเป็นส่วนตัว
ปฏิเสธ ยอมรับ